В этой статье описаны вспомогательные модули, расширяющие возможности отладочных плат. Клавиатура на 16 клавиш будет полезна при создании и отладке электронных замков, контроллеров и терминалов. Семисегментный 8 разрядный дисплей пригодится при написании программ для часов, термометров и многих других устройств, предназначенных для вывода данных. Вспомогательные модули позволяют значительно повысить функциональность отладочных плат, которые обычно не имеют большого светодиодного дисплея или клавиатуры.
Клавиатура
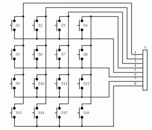
Кнопки S1 – S16 образуют соединение строк и столбцов (так называемый #). Чтение состояния кнопок производится следующим образом: в столбцах по очереди выставляется лог “1”, в это же время читаются уровни в строках. Если при установке лог. “1” на вывод 8 на выводе 2 присутствует лог. “1” , то нажата клавиша S14. Разъем используется для подключения клавиатуры к отладочной плате.
Светодиодный дисплей
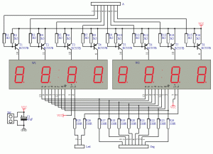
Разъем zas используется для подключения питания (5В), конденсатор C1 (47 мкФ) фильтрующий. Важно, что у отладочной платы и дисплея должны соединяться земляные выводы (лучше, когда отладочная плата и дисплей питаются от одного источника питания). Транзисторы T1 – T8 (BC557) с обвязкой из резисторов R1 – R16 (3,3 кОм) управляют анодами дисплея. Резисторы R17 – R24 (330 Ом) ограничивают ток через сегменты дисплея. Резисторы R25 (330R) и R26 (330R) ограничивают ток через разделительные светящиеся точки на светодиодных дисплеях. Для подключения дисплея к отладочной плате используются разъемы Seg, Led и A .
Создание
Печатные платы, а также монтажная схема для дисплея и клавиатуры есть в архиве. Сборка клавиатуры очень проста и пояснении не требует. При сборке дисплея следует учитывать, что под индикаторами W1 и W2 находятся некоторые детали. Для удобства можно установить на плату отрезки панельки DIP40, что позволит легко заменять дисплей и компоненты под ним. Конденсатор С1 не является совсем необходимым – вместо него можно установить еще разъем для питания других устройств и модулей.
Фотографии
Список радиоэлементов
Скачать список элементов (PDF)






