Над проблемой нехватки мощности генератора и, соответственно, разрядки аккумулятора при езде со светом (а особенно с галогенкой) думал давно. Решением ее стал переход на светодиоды. Сначала планировал сделать только стоп по его схемам, но потом, посмотрев на полученное и прикинув свои финансы, решился также на повороты.
Первым делом зашел на сайт Платана и начал искать подходящие светодиоды. Сразу оговорюсь, что покупать светодиоды лучше известной марки, а не безымянные, как их обычно и продают в небольших магазинчиках радиотоваров. Потому что помимо силы света у светодиода есть и такой параметр как угол излучения. То есть можно купить очень яркие на первый взгляд (то бишь на глаз) светодиоды, но они окажутся узконаправленными. Это в конечном итоге приведет к тому, что стекло стопа (поворота) будет освещаться не равномерно («покроется» светлыми точками вперемешку с темными участками). Следовательно, чтобы получить желаемый эффект (яркое свечение), узконаправленных светодиодов придется взять в несколько раз больше, чем широконаправленных, и, соответственно, конструкция получится намного дороже (и главное – повысится потребляемая мощность). Коэффициенты пересчета силы света в полный световой поток можно найти в статье alash’а.
Прикинув с калькулятором в руках, сколько каких светодиодов понадобится и помножив надобное их количество на цену, стало ясно, что гораздо дешевле (в 1,5 – 2 раза) купить светодиоды с большим углом излучения. И еще, для тех, кто задумает делать что-то подобное, сразу скажу, что магазины радиотоваров, как правило, в прайсах завышают реальную яркость светодиодов где-то в 2 раза. Поэтому лучше скачать фирменный каталог (к тому же там указаны падение напряжения и ток, что понадобится при расчетах, чтобы ваши светодиоды не сгорели при первом же включении (а вместе с ними и потраченные деньги) или не горели в пол-накала).
1. Стоп.
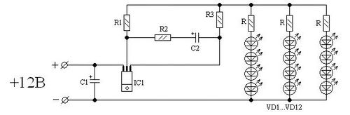
Наиболее подходящими по цене оказались сверхяркие светодиоды Telux. Для стопа взял 12 штук TLWR9900 с углом излучения 90 градусов по цене 15 руб/штука. Светодиоды следует разбить на несколько цепочек. Их «длина» рассчитывается так, чтобы суммарное падение напряжения на светодиодах было как минимум на 2,5 вольта (падение на стабилизаторе) ниже 12 вольт. Минимум – потому что при большем падении напряжения в случае, если напряжение питания будет слишком низким, то ток через светодиоды окажется слишком малым.Устройство стопа видно из схемы.
Цепочка R2-C2-R3 служит для получения бустерного эффекта (вспыхивание в момент включения), IC1 – стабилизатор тока.
Для светодиодов TLWR9900 падение напряжения U=2,2 В, ток I=70 мА. Сопротивление резистора R1 рассчитывается по формуле: R1=1,2/Iобщ, где Iобщ=I*n – ток потребления трех цепочек, n – число цепочек, I – ток одной цепочки.
В данном случае имеем: R1=1,2/(0,07*3)=5,7 Ом. Номинала 5,7 Ом в природе не бывает, поэтому берем 5,6 Ом. Номиналы остальных элементов: C1 – 0,47мкФ*25В, C2 – 47мкФ*16В, R2 – 2 кОм, R3 – 1 кОм, R – 12 Ом, IC1 – LM317T. Все резисторы – 0,125 Вт. Резистор R рассчитывается по формуле: R=(12-2,5-U)/I, где 12 –напряжение питания, 2,5-падение на стабилизаторе, U-падение на цепочке светодиодов, I-ток через одну цепочку светодиодов.
Патроны и отражатели из заднего фонаря удаляются за ненадобностью. Крепится плата в прорези, которые делаются на стойках, к которым крепился отражатель. Размещать светодиоды лучше подальше от стекла, так чтобы получить максимальную равномерность свечения.
2. Повороты.
Когда дело дошло до поворотов, решил не экономить – купил комплект новых с прозрачными стеклами. Когда пришел домой и достал их из пакета долго смеялся над качеством нашей сборки – ни один из них не горел. Как оказалось, по причине того, что контакты на патронах были ржавые (такое впечатление, что их нарезали из отходов, валявшихся на задворках какого – то завода), провода в отверстия контактных лепестков просто вставлены (и свободно болтаются там), клеммы на проводах не зажаты и снимаются легким движением руки (хотя лампочки, как ни странно, оказались все до единой годные)…
Но это и не важно – все внутренности (лампочки, патроны, отражатели) больше не понадобятся, и их с легким сердцем можно демонтировать. Выступы, на которые сзади крепятся отражатели, аккуратненько, чтобы не повредить корпус, выламываются плоскогубцами, чтобы не мешали… Далее я взял кусок картона, который подогнал по размерам корпуса. По нему я выпилил платы.
Светодиоды купил TLWY8900 (U=2,2В, I=70 мА) по цене 10 руб/штука, на каждый поворот – по 8 штук. Схема поворотов аналогична схеме стоп-сигнала. Разница – в количестве гирлянд светодиодов и номинале резистора R1. По расчетам: R1=1,2/(2*0,07)=8,57 Ом. Так как такого номинала нет, пришлось взять два резистора номиналами 16 и 18 Ом соответственно и соединить их параллельно. Таким образом, сопротивление R1=16*18/(16+18)=8,47 Ом.
Плата поворота.
Была мысль поставить по одному красному светодиоду в задние повороты и по белому (или голубому) – в передние в качестве габаритов, но как-то руки не дошли. Над тем, как зафиксировать плату, чтобы в случае чего можно было вытащить и, в то же время ничего не болталось, думал долго. Но в конце концов пришел к тому, чтобы широкую часть платы просто засунуть под торчащие во внутрь винты. С противоположной стороны поворота стойка, в которую вкручивается шуруп, держащий стекло, подрезается на 1 -1,5 мм; под стекло на эту стойку просто кладется уголок, который упирается в плату (его можно выгнуть из кусочка стали и просверлить в нем отверстие).
Выводы.
Общее впечатление от полученного – деньги и время потрачены не зря. Светодиоды светят гораздо ярче стандартных лампочек, к тому же загораются мгновенно (особенно это заметно на поворотах). Стабилизаторы на стопе и поворотах при включении без реле при работе более 10 мин разогреваются градусов до 40, но теплоотвод не нужен, так как на непрерывное свечение они и не рассчитаны. А при работе с реле (т. е. в прерывистом режиме) не греются вообще..
РЕАЛЬНОЕ потребление схем (ток замерялся мультиметром и умножался на замеренное напряжение питания) сотавило: стоп – 2,8 Вт, повороты – по 1,9 Вт. При одновременном включении поворотов и нажатия на тормоз экономия энергии у меня составила: P=(25-2,8)+(21-1,9)*2=60,4 Вт!!! Поэтому потраченных денег совсем не жалко. При большом желании можно сделать аварийку, поставив дополнительный выключатель и диоды развязки между поворотами левого и правого бортов.
Совет: из-за довольно большого разброса номиналов резисторов и стабилизаторов после включения вашего творения неплохо бы померить напряжение на резисторах R и, разделив его на сопротивление данного резистора, получить ток, который течет через светодиоды. При необходимости корректируется номинал R1.
Чтобы детали не поотваливались от вибрации, после проверки зафиксировал их эпоксидкой. Главное – чтобы она не попала непосредственно на линзы светодиодов. К вопросу о возможной замене сгоревших элементов скажу, что лучше уж расковырять эпоксидку (к тому же это совсем не сложно сделать горячим паяльником), чем ждать, пока вполне рабочие детали отвалятся от тряски. Подобное уже испытывал однажды на Восходе, когда в один прекрасный момент на полном ходу он заглох и признаков жизни больше не подавал. Как оказалось, в самодельном коммутаторе вибрацией оторвало все конденсаторы и, по-видимому, через них коротнуло на массу и пробило один диод. Итог – три километра пешочком для укрепления мышц и вечер с паяльником. Поэтому на Планете повторять горький опыт не решился («весело» будет, если, к примеру, перестанет гореть стоп, и какой-нибудь дурак на полном ходу засадит в корму мота), чего не советую делать и другим (в том числе и на Юпитере – там хоть вибрации и поменьше, но все же присутствуют, и от них никуда не денешься). С теми же, кто возразит, что ничего страшного не произойдет и без эпоксидки, и он ездит так давно, спорить не буду, но скажу, что я тоже так думал. До поры до времени…






