Пошел и купил 4 красных и 2 белых светодиода неизвестного происхождения, но светящих довольно ярко, хотя с углом где-то градусов 40. Потом вымерил опытным путем их параметры: оказалось у красных напряжение 2,2 В и ток 35 мА, у белых – соответственно 3,3 В и 25 мА.
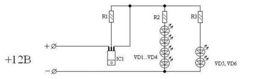
Устройство габарита видно из схемы. Так как белые и красные светодиоды имеют различные параметры, то и номиналы резисторов R2 и R3 будут различными. R2=(12-2,5-U2)/I2, где 12-напряжение питания, 2,5 –падение напряжения на стабилизаторе IC1, U2 –падение напряжения на цепочке VD1…VD4, I2 – ток через нее. R2=(12-2,5-2,2*4)/0,035=20 Ом. R3 вычисляется аналогично: R3=(12-2,5-3,3*2)/0,025=116 Ом. Берем на 120 Ом. Сопротивление резистора R1 рассчитывается по формуле: R1=1,2/Iобщ, где Iобщ=I2+ I3; R1=1,2/(0,035+0,025)=20 Ом. Стабилизатор IC1 – LM317T. Плата габарита – на следующем рисунке.
Для того, чтобы красные светодиоды светили пошире, решил немного поиздеваться над ними. А именно – спилил им линзы на наждачке, а полученную матовую поверхность отполировал пастой ГОИ до первоначального состояния. Результат произведенной операции понравился: свечение стало более равномерным. Для того же все они подогнуты вниз на некоторый угол, а два – еще и в стороны. Белые согнуты вниз под углом где-то около 90 градусов.
Таким образом, у меня получилось, что красные светодиоды светят непосредственно как габарит, а белые – как подсветка номера. А, следовательно, не будет никаких претензий со стороны ГИБДД на техосмотре. Да и вообще – на душе спокойней, что сделано все по уму.
Вот, собственно говоря, вся конструкция в сборе (вместе со стоп-сигналом). Все детали залиты эпоксидкой.
Светит габарит (лист бумаги имитирует номер).
А здесь – габарит и стоп одновременно.
Особого выигрыша в потребляемой мощности светодиодный габарит по сравнению с родным не дает (0,75Вт против 5Вт), но и можно не опасаться, что он сгорит в пути ночью (такая возможность хоть и имеется, но все же она ничтожно мала по сравнению с родной лампочкой).
Закончив возню с электронной частью, решил также загерметизировать корпус фонаря. Причем скорее даже не от воды, а от пыли, которой скапливается со временем внутри не мало. А промывать обе платы, стекло и корпус от пыли особо часто, я думаю, дело неблагодарное.
Для начала вырезал и вклеил во все круглые отверстия сзади деревянные пробочки на «Моменте». Дырки рядом со стойками, в которые ввинчиваются винты, держащие стопарь на мотоцикле, замазал эпоксидкой. Причем это сделал таким образом: на заднюю стенку фонаря снаружи на отверстия наклеивается скотч, а клей намазывается изнутри вокруг стоек. В итоге после высыхания и отклеивания скотча получается ровная поверхность. Места выхода проводов проклеил опять же «Моментом».
Само стекло посадил на прозрачный силиконовый герметик. Его выдавил в паз на корпусе фонаря, куда входит стекло, а так же в паз на красном стекле, в который вставляется белое. Когда герметик подсох, обрезал все, что вылезло наружу. К вопросу о возможной разборке, скажу, что силиконовый герметик практически не прилипает к пластмассе, и поэтому снять стекло и отчистить все от остатков герметика – дело довольно нехитрое.
Подобную операцию по случаю проделал и с поворотами. Здесь герметик наносил непосредственно на стекло и в отверстия для проводов.
Вот, что получилось.







