Решил пополнить свою лабораторию двух-полярным блоком питания. Промышленные блоки питания с необходимыми мне характеристиками довольно дороги и доступны далеко не каждому радиолюбителю, поэтому решил собрать такой блок питания сам.
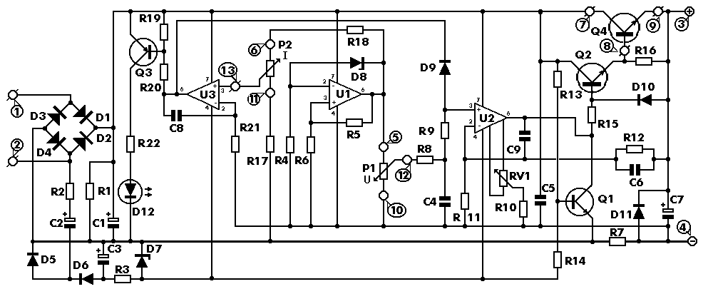
За основу своей конструкции, я взял распространенную в интернете схему блока питания. Она обеспечивает регулировку по напряжению 0-30В, ограничение по току в диапазоне 0,002-3А.
Для меня это пока более чем достаточно, поэтому я решил приступить к сборке. Да, кстати схема этого блока питания одно-полярная, так что для обеспечения двух-полярности – придётся собирать две одинаковые.
Сразу скажу, что силовой транзистор Q4 = 2N3055 в данном блоке питания ( в этой схеме) не подходит. Он очень часто выходит из строя при коротком замыкании и ток в 3 ампера практически не тянет! Лучше всего и гораздо надёжнее, поменять его на наш родной совковый КТ819 в металле. Можно поставить и КТ827А, этот транзистор составной и в этом случае надобность в транзисторе Q2 отпадает и его, а так же резистор R16 можно не ставить и базу КТ827А подключить на место базы Q2. В принципе можно транзистор и резистор и не удалять (при замене на КТ827А), всё работает и с ними и не возбуждается. Я сразу поставил наши КТ827А и не удалял транзистор Q2 (схему не менял), а заменил его на BD139 (КТ815), теперь и он не греется, правда вместе с ним надо заменить R13 на 33к. Выпрямительные диоды у меня с запасом по мощности. В исходной схеме стоят диоды на ток 3 А, желательно поставить на 5 А (можно и поболее), запас лишним никогда не будет.
Вот список применённых в схеме элементов:
Блок питания:
R1 = 2,2 кОм 2W
R2 = 82 Ом 1/4W
R3 = 220 Ом 1/4W
R4 = 4,7 кОм 1/4W
R5, R6, R20, R21 = 10 кОм 1/4W
R13 = 10 кОм (если используете транзистор BD139 то номинал 33кОм) R7 = 0,47 Ом 5W
R8, R11 = 27 кОм 1/4W
R9, R19 = 2,2 кОм 1/4W
R10 = 270 кОм 1/4W
R12, R18 = 56кОм 1/4W
R14 = 1,5 кОм 1/4W
R15, R16 = 1 кОм 1/4W
R17 = 33 Ом 1/4W
R22 = 3,9 кОм 1/4W
RV1 = 100K триммер
P1, P2 = 10KOhm линейный потенциометр (группы А)
C1 = 3300 uF/50V электролитический
C2, C3 = 47uF/50V электролитический
C4 = 100нФ полиэстр
C5 = 200нФ полиэстр
C6 = 100пФ керамический
C7 = 10uF/50V электролитический
C8 = 330пФ керамический
C9 = 100пФ керамический
D1, D2, D3, D4 = 1N5402,3,4 диод 2A — RAX GI837U
D5, D6 = 1N4148
D7, D8 = 5,6V зенеревский
D9, D10 = 1N4148
D11 = 1N4001 диод 1A
Q1 = BC548, NPN транзистор или BC547
Q2 = 2N2219 NPN транзистор (можно заменить на BD139)
Q3 = BC557, PNP транзистор или BC327
Q4 = 2N3055 NPN силовой транзистор (заменить на КТ819 или КТ 827А и не ставить Q2, R16)
U1, U2, U3 = TL081, опер. усилитель
D12 = LED диод.
Индикатор:
Резистор = 10K триммер – 2 шт.
Резистор = 3K3 триммер – 3 шт.
Резистор = 100кОм 1/4W
Резистор = 51кОм 1/4W – 3 шт.
Резистор = 6,8кОм 1/4W
Резистор = 5,1кОм 1/4W – 2 шт.
Резистор = 1,5кОм 1/4W
Резистор = 200 Ом 1/4W – 2 шт.
Резистор = 100 Ом 1/4W
Резистор = 56 Ом 1/4W
Диод = 1N4148 – 3 шт.
Диод = 1N4001 – 4 шт. (мост) или любые другие на ток не менее 1 А. (лучше 3 А)
Стабилизатор = 7805 – 2 шт.
Конденсатор = 1000 uF/16V электролитический
Конденсатор = 100нФ полиэстр – 5 шт.
Операционный усилитель МСР502 – 2 шт.
C4 = 100нФ полиэстр
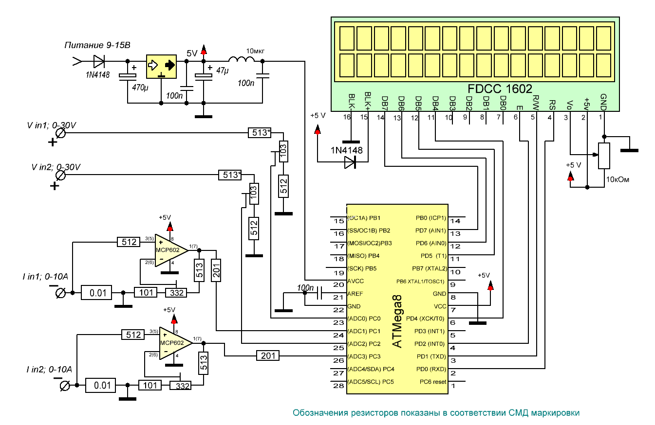
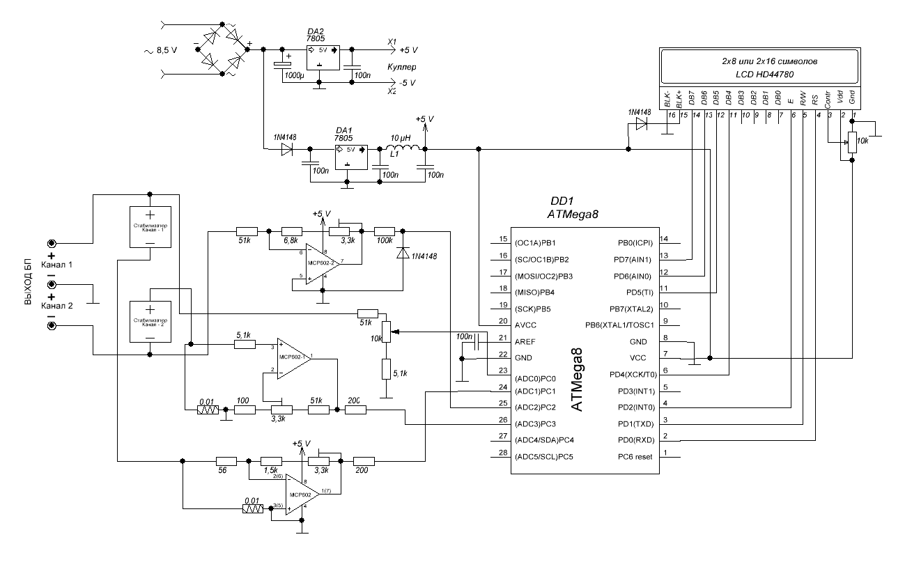
Микроконтроллер ATMega8
LCD 2/16 (контроллер HD44780)
Печатную плату автора я повторять не стал, а перерисовал её по своему и сделал, как мне кажется, гораздо удобней (не говоря о том что я на треть уменьшил её в размерах).
В качестве измерителя (индикаторов), после поисков в просторах “инета”, было принято решение использовать схему на микроконтроллере Atmega8, позволяющую реализовать два вольтметра и два амперметра с использованием одного дисплея.
За основу корпуса блока питания, был взят корпус от нерабочего ИБП, который мне подарили друзья из сервисного центра. Ну а дальше немного терпения, и пилил, точил, кромсал. Процесс сборки блока питания запечатлел, и некоторые подробности предоставляю Вашему вниманию.
Да, кстати печатные платы которые я собрал, немного отличаются от печатки, которую я выложил в архиве. Просто после сборки передвинул детали и “положил” на плату конденсатор, это как оказалось, может быть очень полезно для экономии места в корпусе.
Так как, у меня силовые транзисторы прикреплены к радиатору просто через термо-пасту, то потребовалось изолировать их радиаторы друг от друга и от корпуса. Для этого я в авто-магазине прикупил пластмассок, через которые и прикрепил радиаторы к корпусу БП.
Потом конечно же всё проверил и прозвонил, всё оказалось замечательно, ничего, нигде не касается и не коротит.
Для обеспечения температурного режима элементов блока питания, разметил и высверлил в корпусе вентиляционные отверстия для отвода тепла, потом немного покрыл корпус грунтовкой, чтобы выявить какие остались косячки.
Под чутким руководством Кирилла (Kirmav) прошил микроконтроллер и проверил работу индикатора, пока что без калибровок.
Вольтметры работают нормально, амперметры нагрузить было нечем, но скорее всего тоже работают, так как касаюсь пальцами контактов на плате, значения на индикаторе меняются.
День как говорится, закончился для меня очень удачно.
Потом перемотал (вернее домотал) силовой трансформатор. Раньше на нём была одна силовая обмотка на 24 В переменки, домотал ещё одну для второго канала БП, благо – тор, и разбирать ничего не нужно. Так же добавил ещё одну обмотку на 8,5 вольт переменки (примерно 12В постоянки), проводом 0,5 мм. Запитал от этой обмотки индикатор и куллер с регулятором оборотов, всё вроде нормально работает.
Имейте в виду, что для данного блока питания необходим трансформатор с двумя раздельными вторичными обмотками.
Трансформатор с вторичной обмоткой со средней точкой не подойдёт!
Стабилизатор 7805 греется, но в принципе рука держит, значит температура его около 35-40 С, с заменой радиатора думаю все станет лучше.
Регулировка для куллера была выдрана из комповского БП и в общем то работает нормально.
Немного греются диоды на плате индикатора (диодный мост), но думаю не так страшно.
Начал красить корпус, потом уже после того, как его покрасил, только на фотографии заметил, что не прокрасил заднюю часть лицевой панели, а она выглядывает из за корпуса и вид её не очень, придется заново её перекрасить.
Забыл сказать про индикатор, вольтамперметр. Автор этого вольтамперметра, пользователь C@at с сайта c2.at.ua. За основу моего индикатора, была выбрана та схема, где на одном дисплее реализуются два вольтметра и два амперметра.
Сначала я собрал эту схему, но в процессе наладки выявилось то, что данная схема хорошо работает там, где два источника с общим минусом, а вот в двух-полярном блоке питания она совершенно не желает отображать отрицательные величины.
Долго мне пришлось повозиться, прежде чем на появились положительные результаты.
И вот наконец, на основе наработанной другим человеком схемы, нескольких дней “плясок с бубном”, работой с протеусом, кучей потраченного времени и нервов, я построил свою, которая способна показывать величину отрицательного плеча. Правда она показывает её в положительной полярности, но это не сильно печально, главное, что она уже работает, и я связался с автором прошивки и попросил его немного изменить прошивку так, чтобы ко второму каналу индикатора (U2 и А2), программа просто пририсовывала бы минусы к выводимым показаниям (надеюсь на его помощь). Но это уже так, просто эстетический момент, главное что схема уже работает.
Прошу знатоков посмотреть схему и оценить номиналы (в амперметре подобраны методом тыка, но погрешность очень мала и меня более чем устраивает).
Потом сделал печатку для индикатора, собрал всё в кучу и проверил. Вольтметры заработали оба и амперметр положительного плеча тоже. Плюс ко всему, сегодня твердо уяснил для себя, что все надо проектировать заранее, а потом уже пилить и вытачивать. Ну да ладно это все мелочи. В общем посидел, покипел и кое что дорисовал, потом проверил отрицательный амперметр – все работает. В связи с этим выкладываю свою печатку вольт-амперметра, может кому и сгодится.
Плату собирал из того, что было под руками. Для шунта взял 45 см. медного провода, диаметром 1мм и намотал его спиралью и впаял в плату. Я конечно понимаю, что медь не лучший материал для шунта (конечно же не в коем случае не прошу следовать моему примеру), но меня пока устраивает, а дальше будет видно.
В печатке которую я вытравил себе – немного “накосячил” с диодным мостом (видно на фото платы), но переделывать было уже лень – вышел из положения перекрестив диоды, после этого печатку поправил (в архиве исправленный вариант). Так же на схеме и на печатке есть разъём для подключения куллера.
Хочу сказать, что после того как схема заработал, я прямо таки полюбил протеус, не плохо оказывается работает, и уяснил для себя, что чтобы добиться желаемого результата, надо расширять свои познания в разных областях, и естественно учиться.
Ещё один вечер пришлось посвятить черчению передней панели. Дело это хоть и не сложное, но все же нудное и требует много терпения.
Для черчения, я в основном использую программу “Компас 3D”. Не знаю кому как, но мне почему то проще сначала сделать 3D-модель, а уже потом на её основе изготовить чертёж. Мне как то в свое время стало просто интересно что нибудь в “Компасе” начертить, чтобы соблюсти все размеры и прочее, решил попробовать, и как то это всё затянуло. Я конечно не владею Компасом на ура, но на базовом уровне вполне себе ничего. Ну и помимо Компаса – некоторая доработка передней панели в фотошоп.
Я уже говорил, что попросил автора схемы и прошивки – немного переделать саму прошивку, и вот наконец-то при его поддержке (спасибо ему огромное), удалось изменить приветствие при включении блока питания, а так же дорисовать долгожданный минус в отрицательном плече второго канала индикатора (мелочь, а приятно).У меня это теперь выглядит вот так.
Ну, и специально для тех, кто решит повторить данную конструкцию, он сделал общий вариант приветствия при включении блока питания, который выглядит следующим образом (ну и конечно-же минусы в отрицательном плече).
Специально для тех кому интересно, выкладываю так же в прикреплённом архиве печатку платы контроля работы куллера. Я её перерисовал с готовой платы которая была изъята из комповского бп – должна работать.
P.S. Сам ещё её не собирал.
При испытании собранного БП – решил проверить усилочик, отданный мне в дар. Блок питания успешно справился со своей задачей (обеспечил требуемое напряжение и ток для проверки) правда больше полутора ампер усилок не потреблял в момент проверки.
Для тех, кто решит собирать данный блок питания, скажу, что схема проверенная, повторяемость 100%, при правильной сборке из исправных, проверенных деталей, в налаживании практически не нуждается.
Правда регулировка напряжения и тока раздельная для каждого канала, но это может и лучше с одной стороны.
В архиве установка FUSE (фузов), которые соответствуют работе от внутреннего генератора 4MHz, скрин установки для программы PonyProg.


















